j9国际站备用网址机械 ·精细筛分设备 WANDA MACHINERY
  • 浆液振动筛
  • 浆液振动筛
  • 浆液振动筛
  • 浆液振动筛
浆液振动筛 产品类别: 精细筛分设备 产品描述: 设备概述浆液筛是j9国际站备用网址机械经历多年开发试验,于10年前正式在市场推广的成熟产品,目前在市场上陶瓷、食品、医药、化工、电子、粉末冶金、塑料橡胶、研磨等行业中的液体的筛分、过滤,特别是对于泥浆的筛分等公司在使用,且反映效果良好。该设备是采用国外振动筛之优点,结合我国企业生产特点及要求而生产的,其优点如下:?电机             ...
产品详情

设备概述

浆液筛是j9国际站备用网址机械经历多年开发试验,于10年前正式在市场推广的成熟产品,目前在市场上陶瓷、食品、医药、化工、电子、粉末冶金、塑料橡胶、研磨等行业中的液体的筛分、过滤,特别是对于泥浆的筛分等公司在使用,且反映效果良好。该设备是采用国外振动筛之优点,结合我国企业生产特点及要求而生产的,其优点如下:

陶瓷浆液筛-01

?电机                                                                                            

1)普通振动筛电机易烧,而j9国际站备用网址机械选用国内电机大品牌制造商合作,选用更匹配的电机,电机参振重量变少,电机负荷更少,因此电机更耐用。

2)电机轴承采用更耐用品牌轴承。

3)对电机进行改造,双密封免注油。

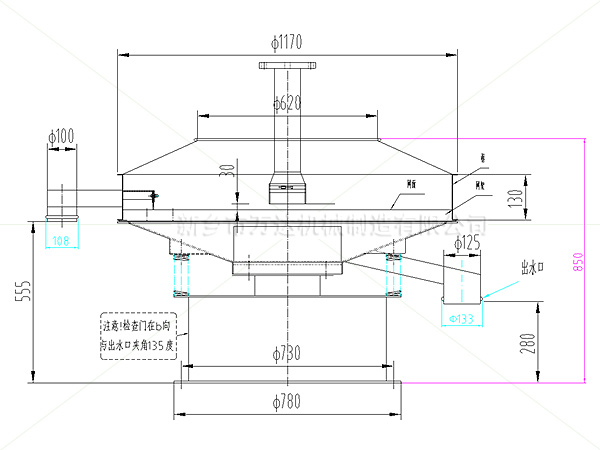
浆液筛图纸-官网用

?网架                                                                                            

1.网架采用单层网设计,避免以前工作网与衬网之间摩擦造成工作网使用寿命短的难题,筛网使用寿命之有2倍以上的提高。

2.由于为单层网设计,避免母网影响浆液流量的问题,处理能力大大的提高。


?振动体

我公司1米以下机型采用4.0板厚一次冲压成型,更结实耐用(具体板厚根据使用环境和需求定制设计)。


?能耗                                                                                              

j9国际站备用网址浆液筛处理量是普通振动筛的1.5倍,即每两台设备可以顶三台以上普通振动筛,降低了能耗,同时降低了生产成本,使企业更省电、便捷。

浆液振动筛

?设备特点

1、浆液过滤筛特殊设计筛框,框体高度更高,有效防止浆液飞溅。

2、振动体、筛框喷砂/喷塑(可选)处理,业内防腐防锈效果更好,设备使用更长。

3、浆液过滤筛采用品牌振动电机,较之业内其它品牌散热更快、维护更简单、使用寿命更长。

4、成熟的振动电机技术,设备总体更节能,更小功耗,激振力更强。

5、采用高含胶量密封圈,有效的防止浆液泄漏。

6、无上盖设计,易于观察筛面,出料口可以360度自由旋转,筛网更换、清洗方便。

7、选用成熟的单网双箍网架(可选),筛下物出料口位于振动体上,加快了排料速度,单位时间内效率更高。

8、底筒可根据用户要求设计高度,无需安装地基。

?安装角度

直落式震动筛分机采用两震动电机作反向等速回转运动,当电机及电机轴上偏心块具有不同的安装角度时,会产生定向周期变化的激振力偶,物料旋转方向会因此而不同。


?设备参数                                                                             

浆液振动筛

动图hot关于浆液筛、圆形摇摆筛、方形摇摆筛、平面回转筛、超声波振动筛、真空上料机、布袋除尘器等筛分输送设备及除尘设备更多详情,可随时致电j9国际站备用网址机械详询,期待您的来电!

相关产品
立即订购
产品名称:
联系人:
电话:
邮箱:
备注:
验证码:
  • 上一篇:直排振动筛
  • 下一篇:450型振动筛
  • 联系我们 新乡市j9国际站备用网址机械制造有限公司
    联系人:刘经理   18625932501
    联系人:刘经理   
    电话:18625932501
    邮箱: 632846242@qq.com
    网址:
       CopyRight ? 2016 新乡市j9国际站备用网址机械制造有限公司 All Rights Reserved 地址:河南省新乡市牧野区王村镇西冀场工业园   网站地图 管理登陆 单位营业执照      豫公网安备 41071102000230号   备案号:豫ICP备18004299号-1