j9国际站备用网址机械 ·投料输送搅拌 WANDA MACHINERY
  • 垂直振动提升机
  • 垂直振动提升机
  • 垂直振动提升机
  • 垂直振动提升机
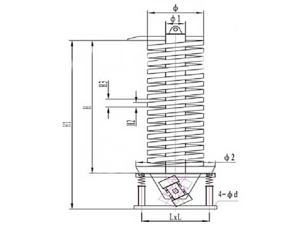
垂直振动提升机 产品类别: 投料输送搅拌 产品描述: 垂直振动提升机用途和特点本机对一切颗粒状、块状、粉状的固体物料(粘度不大)都可以输送。因此可广泛用于军工、机械、化工、冶金、矿山、橡胶、塑料、轻工、制药、食品加工、粮食、农牧等行业作为散状物料的提升设备。>>点击此处咨询更多详情WZCS系列垂直振动输送机的驱动装置振动电机安装在输送塔下部,两台振动电机对称交叉安装,输送塔由管体和焊接在管体周围的螺旋输送槽组成,输送塔座于减振装置上,减振...
产品详情

垂直振动提升机用途和特点

本机对一切颗粒状、块状、粉状的固体物料(粘度不大)都可以输送。因此可广泛用于军工、机械、化工、冶金、矿山、橡胶、塑料、轻工、制药、食品加工、粮食、农牧等行业作为散状物料的提升设备。

垂直振动提升机-600-01

>>点击此处咨询更多详情动图hot

WZCS系列垂直振动输送机的驱动装置振动电机安装在输送塔下部,两台振动电机对称交叉安装,输送塔由管体和焊接在管体周围的螺旋输送槽组成,输送塔座于减振装置上,减振装置由底座和隔振弹簧组成。当垂直输送机工作时,根据双振动电机自同步原理,由振动电机产生激振力,强迫整个输送塔体作水平圆运动和向上垂直运动的空间复合振动,螺旋槽内的物料则受输送槽的作用,作匀速抛掷圆运动,沿输送槽体向上运动,从而完成物料的向上(或向下)输送作业。

本机设计结构简单、便于安装和使用维护、能源消耗小、占地面积少,节省投资。

本机具有从下向上和从上向下输送物料的功能。按不同的生产工艺要求制成开式或封闭式结构。封闭式输送能防止有害气体和粉尘溢散。根据用户需要,改变本机结构,可以在输送物料的同时,完成诸如冷却、干燥、筛分等工艺过程。

垂直输送机

?关于垂直振动提升机、圆形摇摆筛、方形摇摆筛、平面回转筛、超声波振动筛、除尘器等更多详情,可随时致电j9国际站备用网址机械详询!

相关产品
立即订购
产品名称:
联系人:
电话:
邮箱:
备注:
验证码:
  • 上一篇:振动输送机
  • 下一篇:埋刮板输送机
  • 联系我们 新乡市j9国际站备用网址机械制造有限公司
    联系人:刘经理   18625932501
    联系人:刘经理   
    电话:18625932501
    邮箱: 632846242@qq.com
    网址:
       CopyRight ? 2016 新乡市j9国际站备用网址机械制造有限公司 All Rights Reserved 地址:河南省新乡市牧野区王村镇西冀场工业园   网站地图 管理登陆 单位营业执照      豫公网安备 41071102000230号   备案号:豫ICP备18004299号-1